தயாரிப்புகள்
ஜிஜிடி டை ராட்
  • ஜிஜிடி டை ராட்ஜிஜிடி டை ராட்
  • ஜிஜிடி டை ராட்ஜிஜிடி டை ராட்
  • ஜிஜிடி டை ராட்ஜிஜிடி டை ராட்

ஜிஜிடி டை ராட்

யிடாய் பூட்டு அதன் அதிநவீன உற்பத்தி அமைப்புடன் பூட்டுகள் மற்றும் ஜிஜிடி டை தண்டுகளின் சிறந்த செயல்திறனை உறுதி செய்கிறது. ஜி.ஜி.டி டை தண்டுகள் ஜிஜிடி வகை குறைந்த மின்னழுத்த நிலையான சுவிட்ச் கியரின் முக்கியமான கட்டமைப்பு அங்கமாகும், இது எளிமை மற்றும் நடைமுறைத்தன்மையால் வகைப்படுத்தப்படுகிறது.


தயாரிப்பு மாதிரி எல்ஜி தொடர் பூட்டுதல் நெம்புகோல்
பொருட்கள் இரும்பு
நிறம் கால்வனேற்றப்பட்ட இரும்பு
தயாரிப்பு அம்சங்கள் நெகிழ்வான சுழற்சி/தடிமனான குழு/அரிப்பு எதிர்ப்பு மற்றும் நீடித்த
பயன்பாட்டு நோக்கம் விநியோக பெட்டி/அமைச்சரவை/அமைச்சரவை/அனைத்து வகையான தொழில்துறை பெட்டிகளும்


யிதாய் லாக்கின் சீனா ஜிஜிடி டை தண்டுகள் உலகம் முழுவதும் ஏற்றுமதி செய்யப்படுகின்றன. விநியோக அமைச்சரவையின் கட்டமைப்பு ஸ்திரத்தன்மை மற்றும் மின் பாதுகாப்பை உறுதிப்படுத்த அமைச்சரவைக்குள் மின் கூறுகளை சரிசெய்யவும், ஆதரிக்கவும், இணைக்கவும் ஜிஜிடி டை தண்டுகள் முக்கியமாக பயன்படுத்தப்படுகின்றன.


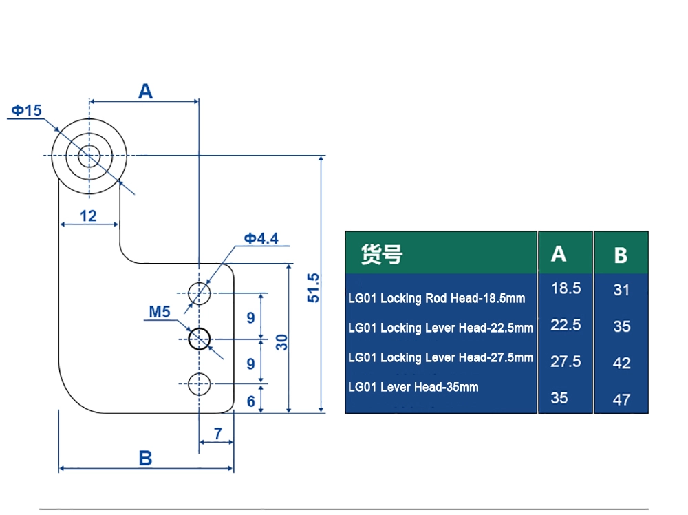
பரிமாணங்கள்:

கார்பன் எஃகு (இரும்பு) ஜிஜிடி டை தடியின் இயல்புநிலை நீளம் 1000 மிமீ, பிற நீளம் மற்றும் விட்டம் தனிப்பயனாக்கப்படலாம்.


அம்சங்கள்

விநியோக அமைச்சரவையின் ஒட்டுமொத்த கட்டமைப்பின் நிலைத்தன்மையை உறுதிப்படுத்த, ஜி.ஜி.டி டை தண்டுகள் முக்கியமாக அமைச்சரவை சட்டகத்தை சரிசெய்யவும், பஸ்பார் வரிசைகளை ஆதரிக்கவும், மின் கூறுகளை இணைக்கவும் பயன்படுத்தப்படுகின்றன.

நிறுவல் முறை: அமைச்சரவையுடன் போல்ட் அல்லது வெல்ட் இணைப்பு.

மின் பாதுகாப்பு: மின் வெளியேற்ற நிகழ்வு ஏற்படுவதைத் தடுக்க மின்மயமாக்கப்பட்ட உடலில் இருந்து போதுமான பாதுகாப்பு தூரத்தை பராமரிக்க டை தண்டுகளின் வடிவமைப்பு கருதப்பட வேண்டும்.


தேர்வு வழிகாட்டி

அமைச்சரவை அளவிற்கு ஏற்ப ஜிஜிடி டை தடியின் நீளத்தைத் தேர்ந்தெடுக்கவும்.

சுமை தாங்கி தேவைகளுக்கு ஏற்ப தடிமன் தேர்ந்தெடுக்கவும்.

அரிக்கும் சூழல்களுக்கு கால்வனேற்றப்பட்ட பதிப்பு பரிந்துரைக்கப்படுகிறது.

அதிக அழகியல் தேவைக்கு, தனிப்பயனாக்கப்பட்ட பிளாஸ்டிக் தெளித்தல் பதிப்பு கிடைக்கிறது.

Ggd Tie RodGgd Tie RodGgd Tie RodGgd Tie RodGgd Tie RodGgd Tie RodGgd Tie RodGgd Tie RodGgd Tie RodGgd Tie RodGgd Tie RodGgd Tie RodGgd Tie RodGgd Tie RodGgd Tie RodGgd Tie RodGgd Tie RodGgd Tie RodGgd Tie RodGgd Tie Rod


கேள்விகள்

கே: டை தண்டுகள் தொலைநோக்கி சீராக இல்லாவிட்டால் நான் என்ன செய்ய முடியும்?

ப: வெளிநாட்டு பொருள் தடைகளை சரிபார்க்கவும்.

மூட்டுகள் அல்லது திரிக்கப்பட்ட பகுதிகளை உயவூட்டவும்.

சிதைந்தால் அல்லது சேதமடைந்தால் மாற்று தேவை.


கே: ஜிஜிடி டை கம்பியின் நீளத்தைத் தனிப்பயனாக்க முடியுமா?

ப: தனிப்பயனாக்கப்பட்ட பூட்டு தடி நீளம் மற்றும் விட்டம் ஆதரவு


கே: ஜிஜிடி டை தண்டுகள் அதிக வெப்பநிலையை எதிர்க்கின்றனவா?

ப: சாதாரண எஃகு வெப்பநிலை எதிர்ப்பு சுமார் 200 ° C அல்லது அதற்கும் குறைவாக.


கே a ஒரு டை தடி சேதமடைந்தால் நான் எப்படி சொல்ல முடியும்?

ப: புலப்படும் வளைவுகள், விரிசல்கள் அல்லது அணிந்த நூல்களைக் கவனியுங்கள்.

சோதனையின் போது சத்தமிடுவது அல்லது நெரிசல் உள் கட்டமைப்பு சேதமாக இருக்கலாம்


கே: ஜிஜிடி டை கம்பியின் ஆயுட்காலம் என்ன?

ப: பயன்பாடு, சுமை மற்றும் சூழலின் அதிர்வெண் பொறுத்து, சாதாரண பராமரிப்புடன் பல ஆண்டுகள் அல்லது அதற்கு மேற்பட்டவை.


சூடான குறிச்சொற்கள்: ஜி.ஜி.டி டை ராட், சீனா உற்பத்தியாளர், மின் அமைச்சரவை வன்பொருள், யிதாய் பூட்டு சப்ளையர், தனிப்பயன் டை ராட் தொழிற்சாலை
விசாரணையை அனுப்பு
தொடர்பு தகவல்
  • முகவரி

    எண். 16, ஜிங்யுன் சாலை, ஜிங்ஷன் தொழில் பூங்கா, ஹுவாங்குவா, யூகிங் நகரம், ஜெஜியாங் மாகாணம், சீனா

  • டெல்

    +86-17328813970

  • மின்னஞ்சல்

    [email protected]

வன்பொருள் பூட்டு, வன்பொருள் கீல், வன்பொருள் கைப்பிடி அல்லது விலை பட்டியல் பற்றிய விசாரணைகளுக்கு, தயவுசெய்து உங்கள் மின்னஞ்சலை எங்களிடம் விட்டு விடுங்கள், நாங்கள் 24 மணி நேரத்திற்குள் தொடர்பில் இருப்போம்.
செய்தி பரிந்துரைகள்
X
உங்களுக்கு சிறந்த உலாவல் அனுபவத்தை வழங்கவும், தள போக்குவரத்தை பகுப்பாய்வு செய்யவும் மற்றும் உள்ளடக்கத்தைத் தனிப்பயனாக்கவும் நாங்கள் குக்கீகளைப் பயன்படுத்துகிறோம். இந்தத் தளத்தைப் பயன்படுத்துவதன் மூலம், எங்கள் குக்கீகளைப் பயன்படுத்துவதை ஒப்புக்கொள்கிறீர்கள். தனியுரிமைக் கொள்கை
நிராகரிக்கவும் ஏற்றுக்கொள்